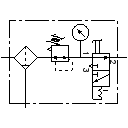
Start-up valve with filter control valve

The filter with water separator cleans the compressed air of dirt, pipe scale, rust and condensate.

The pressure regulator adjusts the compressed air supplied to the set operating pressure and compensates for pressure fluctuations. The pressure gauge shows the preset pressure. The on/off valve exhausts the entire control.

Adjustable parameters

Pressure regulator
Designation Range Default value
Nominal pressure 0 ... 2 MPa 0.4
Standard nominal flow rate 0.1 ... 5000 l/min 110
Directional valve
Designation Range Default value
Standard nominal flow rate 0.1 ... 5000 l/min 500
Filter
Designation Range Default value
Standard nominal flow rate 0.1 ... 5000 l/min 1000

Failure models

Failure model Description
Component clogged The component is clogged. The restricted flow can be adjusted.
Parameter
Designation Range Default value
Standard nominal flow rate 0 ... 5000 l/min 10