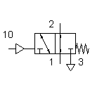
3/2-way valve, pneumatically operated, normally open
The pneumatic valve is controlled by applying a pilot pressure at connection 10. Connection 1 is shut. By stopping the signal the valve is set back to its starting position through the use of a return spring. The flow passes freely from 1 to 2.
This valve is derived from a configurable 3/n way valve. You find this valve in the component library Frequently used Way Valves
, under the menu.
Adjustable parameters
| Designation |
Range |
Default value |
| Desired position |
0 ... 4 |
0 |
| Standard nominal flow rate |
0.1 ... 5000 l/min |
60 |
| Positioning time |
1e-4 ... 10 s |
0.02 |
| Reset time |
1e-4 ... 10 s |
0.03 |
Acting forces
| Designation |
Range |
Default value |
| Minimum voltage |
0.1 ... 300 V |
20 |
| Electrically left at U_min |
0.01 ... 100 N |
70 |
| Electrically right at U_min |
0.01 ... 100 N |
70 |
| Mechanically left |
0.01 ... 100 N |
100 |
| Mechanically right |
0.01 ... 100 N |
100 |
Counteracting forces
| Designation |
Range |
Default value |
| Physical spring force |
0.01 ... 100 N |
20 |
| Minimum force |
0.01 ... 100 N |
15 |
| Min. pilot control force |
0.01 ... 100 N |
15 |
Effective areas
| Designation |
Range |
Default value |
| Left |
0.01 ... 100 cm2 |
1 |
| Right |
0.01 ... 100 cm2 |
1 |
| Pilot control left |
0.01 ... 100 cm2 |
1.3 |
| Pilot control right |
0.01 ... 100 cm2 |
1.3 |
| air spring left |
0.01 ... 100 cm2 |
0.5 |
| air spring right |
0.01 ... 100 cm2 |
0.5 |
Failure models
| Failure model |
Description |
| Piston blocked |
The valve can not change its switching position. |
| Leakage between 1 and 3 |
An internal leakage between the connectors 1 and 3 occurs. The value of the leakage is adjustable. |
Parameter
| Designation |
Range |
Default value |
| Standard nominal flow rate |
0 ... 5000 l/min |
1000 |