Low pressure amplifier unit, 2 compartments
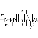
Each of the two double-level low pressure amplifier units has the function of a 3/2 directional valve that is normally closed. The signal at connection 12 is raised to a higher boost pressure level through the use of a double-level amplifier and is put out by connection 2.
Adjustable parameters
| Designation | Range | Default value |
|---|---|---|
| Standard nominal flow rate | 0.1 ... 5000 l/min | 60 |