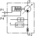
Piston pump, pneumatically operated

This piston pump delivers a hydraulic medium from tank connection S to connection P2. It is actuated by a pneumatic cylinder via connections P1 and P2. The actuating piston is equipped with a reset spring. The hydraulic part is secured with a rupture disc against high pressures.

The pneumatic / hydraulic transmission can be defined by r. The transmission ratio is calculated by 1 : r. The flow can be adjusted by a stroke limitation during simulation. It is defined by x_max_rel in percent relative to the maximum stroke.

Please note, that using this component in FluidSIM requires a license for hydraulics as well as for pneumatics.

Adjustable parameters

Designation Range Default value
Displacement 0.01 ... 10000 cm3 0.5
Ratio 1: 0.1 ... 1000 28
Burst pressure 0.1 ... 1000 bar 160
Total stroke (%) 0.1 ... 100 % 100
Total stroke 1 ... 1000 mm 50