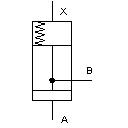
Closing cartridge valve
The 2/2-way cartridge valve is a 2/2-way valve. It is fitted with two working ports and the two switch positions closed
and open
. Whether or not the cartridge valve is open or closed depends on the effective areas A and X, the adjacent pressures pA, and pX, as well as the spring force. A=X is valid.
If pA*A > pX*X + F, then the valve closes, otherwise it is open.
The valve therefore operates purely pressure dependent and can, with the appropriate control, assume directional-, flow- and pressure functions. The spring force is specified by means of the nominal pressure. This is the minimum pressure, with pressureless connections at B and X, necessary at connection A to open the valve.
The hydraulic resistance relates to the completely opened valve.
Adjustable parameters
| Designation | Range | Default value |
|---|---|---|
| Type | Without stroke limiter, With stroke limiter | Without stroke limiter |
| Maximum stroke | 0 ... 100 % | 100 |
| Designation | Range | Default value |
|---|---|---|
| Opening pressure | 0 ... 40 MPa | 0.5 |
| Area | 0.1 ... 100 cm2 | 6 |
| Pressure regulation range | 0.01 ... 10 MPa | 0.05 |
| Hydraulic resistance | 1e-6 ... 1000 bar.min2/l2 | 0.01 |