Difference amplifier

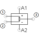
The differential amplifier is a closed-loop control technology component. An output signal/potential is generated at output 3, which corresponds to the difference between the two input signals/potentials at inputs 1 (w) and 2 (x). In the field of closed-loop control technology, the differential amplifier is used to determine deviation. In order to keep circuit wiring as straightforward as possible, required earthing (0 V) is not led out as a terminal, but rather wired internally.

The output signal’s voltage range is determined by the potential applied to terminals A1 and A2 relative to ground (0 V). If a positive potential is connected to A1 and a negative potential to A2, the available output signal is no greater than the smaller numeric value of the two (example: A1 = +15 V, A2 = -10 V => control range = ±10 V). This can be further limited by means of a parameter, in order to take losses from the control electronics within the component into account.

The component does not generate an output signal unless a minimum potential is connected to both the A1 and the A2 terminals. The value can be adjusted in the advanced settings. If either terminal A1 or A2 is not connected to any potential, the potential of the connected terminal is passed through to the output (4).

This element is based on the element with the same designation from Festo Didactic’s equipment set for Basic principles of control technology (TP 1013).

Adjustable parameters

Designation Range Default value
Efficiency 0 ... 1 0.9
Minimum voltage 0 ... 10 V 1.5