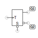
T flip-flop with inverted SET input
This T flip-flop is a T flip-flop with an additional input S (set), via which the output Q1 can be set directly to 1. The input S is inverted, i.e. S=0 sets Q1 directly to 1.
Truth table
| S | T | Q1 | Q2 |
|---|---|---|---|
| 0 | x | 1 | 0 |
| 1 | ↑ | q2 | q1 |
| 1 | x | q1 | q2 |
Comments:
x = any (0 or 1) ↑ = positive edge from 0 to 1 q = state of output Q before the edge
Adjustable parameters
| Designation | Range | Default value |
|---|---|---|
| Voltage level (lo) | 0.1 ... 24 V | 0.8 |
| Voltage level (hi) | 0.1 ... 24 V | 2 |
| Designation | Range | Default value |
|---|---|---|
| Voltage level (lo) | 0 ... 24 V | 0 |
| Voltage level (hi) | 0.1 ... 24 V | 5 |
| Resistance | 0.1 ... 1000 Ohm | 50 |