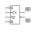
D flip-flop with SET and RESET inputs, edge triggered
This D flip-flop is an edge-triggered D flip-flop with two additional inputs S and R. With the input S (set), the internal state can be set directly to 1. With the input R (reset), the internal state can be set directly to 0. The inputs S and R are inverted, i.e. the value 1 triggers the set or reset.
Truth table
| not S | not R | C | D | Q1 | Q2 |
|---|---|---|---|---|---|
| 0 | 1 | x | x | 1 | 0 |
| 1 | 0 | x | x | 0 | 1 |
| 0 | 0 | x | x | 1 | 1 |
| 1 | 1 | ↑ | 0 | 0 | 1 |
| 1 | 1 | ↑ | 1 | 1 | 0 |
| 1 | 1 | x | x | q1 | q2 |
Comments:
x = any (0 or 1) ↑ = positive edge from 0 to 1 q = state of output Q remains unchanged
The IC 74HC74 is used as a component in the training package TP 1012 from Festo Didactic.
Adjustable parameters
| Designation | Range | Default value |
|---|---|---|
| Voltage level (lo) | 0.1 ... 24 V | 0.8 |
| Voltage level (hi) | 0.1 ... 24 V | 2 |
| Designation | Range | Default value |
|---|---|---|
| Voltage level (lo) | 0 ... 24 V | 0 |
| Voltage level (hi) | 0.1 ... 24 V | 5 |
| Resistance | 0.1 ... 1000 Ohm | 50 |