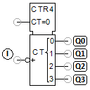
4-bit counter
The counter counts the number of falling edges from 1 to 0 at input I. The number is saved as a 4-bit number x and output bit-by-bit via the outputs Q0, Q1, Q2 and Q3. The counter is reset to x=0 after the value x=15 is reached. The counter can also be set to 0 with the value 1 at the input CT=0
. The counter x is output to the outputs as follows:
x = Q0*2^0 + Q1*2^1 + Q2*2^2 + Q3*2^3
The IC 74HC93 is used as a component in the training package TP 1012 from Festo Didactic.
Adjustable parameters
| Designation | Range | Default value |
|---|---|---|
| Voltage level (lo) | 0.1 ... 24 V | 0.8 |
| Voltage level (hi) | 0.1 ... 24 V | 2 |
| Designation | Range | Default value |
|---|---|---|
| Voltage level (lo) | 0 ... 24 V | 0 |
| Voltage level (hi) | 0.1 ... 24 V | 5 |
| Resistance | 0.1 ... 1000 Ohm | 30 |