Starting current limiter
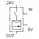
The starting current limiter consists essentially of a relay, whose coil is situated between the connections IN and 0V, and whose switch contact is situated between the connections 24V and OUT. An electronic longitudinal controller restricts, with a switched relay contact, the current flow to the preset value for the specified duration.
The starting current limiter is usually deployed in combination with the electric motor.
Adjustable parameters
| Designation | Range | Default value |
|---|---|---|
| Duration | 1 ... 10000 ms | 0.05 |
| Current limit | 0.01 ... 100 A | 2 |