Pressure switch (changeover)
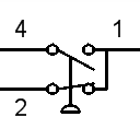
The switch changes over when the preset switching pressure of the pneumatic or hydraulic pressure switch is exceeded. Pressure switches are created by using a general changeover switch and setting a label.
The switch changes over when the preset switching pressure of the pneumatic or hydraulic pressure switch is exceeded. Pressure switches are created by using a general changeover switch and setting a label.