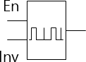
Asynchronous pulse generator
The pulse profile of the output can be changed via the configurable pulse duration and pulse pause duration.
It is possible to invert the output with input INV. The input INV only negates the output, if the block is enabled via EN.
Adjustable parameters
| Designation | Range | Default value |
|---|---|---|
| Impulse time | 0.01 ... 100 s | 3 |
| Impulse pause time | 0.01 ... 100 s | 1 |