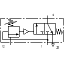
Pressure sequence valve
The sequence valve is operated when the control pressure at connection 12 has been reached. The flow passes freely from 1 to 2. Removing the signal allows the valve to return to its starting position through the use of a return spring. Connection 1 is shut. The pressure of the control signal is infinitely adjustable via a pressure setting screw.
Adjustable parameters
| Designation | Range | Default value |
|---|---|---|
| Switching pressure | 0 ... 20 bar | 3 |
| Standard nominal flow rate | 0.1 ... 5000 l/min | 100 |