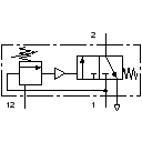
Adjustable vacuum actuator valve
The vacuum actuator valve is employed through the conversion of a vacuum signal. As soon as the vacuum reaches the adjustable value at connection 1v, the attached valve body is switched.
Adjustable parameters
| Designation | Range | Default value |
|---|---|---|
| Switching pressure | -0.1 ... 0 MPa | -0.025 |
| Standard nominal flow rate | 0.1 ... 5000 l/min | 100 |