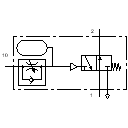
Time delay valve, normally open
The time delay valve is made up of a pneumatically operated 3/2-way valve, a one-way flow control valve, and small air accumulator. When the necessary pressure is reached at the control connection 10 of the unit, the 3/2-way valve switches and stops the flow from passing between 1 and 2.
Adjustable parameters
Flow control valve
| Designation |
Range |
Default value |
| Opening level |
0 ... 100 % |
100 |
| Standard nominal flow rate |
0.1 ... 5000 l/min |
10 |
Reservoir
| Designation |
Range |
Default value |
| Volume |
0.001 ... 100 l |
0.01 |
Directional valve
| Designation |
Range |
Default value |
| Standard nominal flow rate |
0.1 ... 5000 l/min |
50 |